产品
瞬态抑制二极管
静电抑制器
半导体放电管
LED开路保护器
气体放电管
压敏电阻
可控硅
MOSFET
二极管
过流保护
晶体管
瞬态抑制二极管
通用型TVS二极管
大电流系列TVS管
汽车用TVS二极管
高可靠性瞬态抑制二极管
静电抑制器
单路和多路ESD阵列
多层结构型静电抑制器
汽车用ESD静电抑制器
聚合物ESD抑制器
半导体放电管
汽车用半导体放电管
高可靠性半导体放电管
通用型半导体放电管
可编程电路保护器
LED开路保护器
PLED开路保护器
汽车用PLED开路保护器
气体放电管
通用气体放电管
汽车用陶瓷放电管
玻璃放电管
压敏电阻
通用型压敏电阻
热保护型压敏电阻
复合型压敏电阻
汽车用压敏电阻
可控硅
灵敏触发型单向可控硅
标准单向可控硅
标准双向可控硅
四象限双向可控硅
MOSFET
小信号Mosfet
功率Mosfet
汽车Mosfet
二极管
整流桥
肖特基二极管
小信号开关管
快恢复二极管
整流二极管
稳压二极管
过流保护
NTC热敏电阻
PTC自恢复保险丝
晶体管
小信号晶体管
行业
汽车
网络通讯
视频监控
消费类电子
电源及新能源
医疗电子
工业
照明
家电
汽车
车身控制模块
驾驶辅助系统ADAS
车载充电机
智能座舱
域控制
微电机
座椅加热
PTC加热器
交流充电桩
储能系统
电池模块
车内照明灯
车载影音娱乐系统
汽车大灯
直流快速充电桩
车载电池充电器
网络通讯
基带单元
小基站
RRU
PBX
室外AP
机顶盒
电源和备用电池
先进天线系统(AAS)
xDSL
蜂窝基站
视频监控
摄像机/云台
可视门禁
DVR
NVR视频录像机
自动门
网络摄像机
消费类电子
智能手表
电子烟
智能锁
平板电脑
电脑
电动自行车
VR眼镜
无人机
POS
共享充电宝
标签打印机
电池保护
PD快充
手机
两轮车定位器
蓝牙耳机
电源及新能源
适配器
储能系统
共享充电宝
2/3轮车储能
串式逆变器
不间断电源(UPS)
电池保护
PD快充
AC220V交流充电桩
能量转换系统
储能电池管理系统
光伏逆变器
电源模块
医疗电子
血糖仪
额温计
放射影像
电子健康秤
便携式超声波扫描仪
除颤器
心电图示仪
血压仪
工业
电梯呼叫板
智能电表
电力载波
传感器
智能抄表
PLC
自动门
漏电保护器
直流马达
照明
景观LED灯
智能台灯
太阳能路灯
交通信号灯
路灯控制器
家电
热水器
洗碗机
扫地机器人
智能电视
智能音响
洗衣机
咖啡机
参考设计
汽车
信号
通讯
数据
RS485/232及I/O
Coaxial
直流电源
交流电源
汽车
DC48V
Button/Switch
LIN
DC12V-P5a
DC12V-P5b
DC24V-P5a
CAN
信号
按键
Audio
Touch Screen
SD
SIM
eSATA
NFC
MIC
通讯
SLIC
RJ11
RJ45-100M
RJ45-1G
RJ45-10G
POE-1G-4KV
POE-10G-6KV
POE-1G-6KV
POE-100M-4KV
G.Fast
数据
DVI
CAN-浪涌保护
Type-C
VGA
USB2.0-Dual
HDMI
USB3.0
USB2.0
RS485/232及I/O
RS232-静电/浪涌
RS485-静电保护
RS232-静电保护
I/O
RS485-浪涌保护
Coaxial
HD Analog
GPS
LNB-5KA
LNB-3KA
CVBS
SDI
直流电源
DC48V-20KA
DC48V-3KA
DC48V-2KA
Vbus-1.2V/1.5V
Vbus-2.5V
DC110V-4KV
DC110V-6KV
DC12V-6KV
DC60V-4KV
DC24V
DC12V-2KV
DC12V-4KV
DC9V
DC5V-浪涌保护
DC3.3V
DC5V-静电保护
交流电源
AC110V-3KA
AC110V-5KA
AC36V-0.5KA
AC220V-5KA
AC220V-3KA
质量与资源
服务支持
样品申请
技术支持
EMC服务
技术文档
Semiware的300多个接口保护方案,覆盖了汽车电子、工业控制、消费类电子等行业领域。
新闻
技术文献
新产品信息
公司资讯
Blog
致力于成为优秀的电路保护解决方案综合服务商
关于我们
公司信息
人才招聘
联系我们
致力于成为优秀的电路保护解决方案综合服务商
产品查询
相互参考
Language
▼
简体中文
English
한국어
Русский
Tiếng Việt
登录
首页
产品中心
产品目录
瞬态抑制二极管
静电抑制器
半导体放电管
LED开路保护器
气体放电管
压敏电阻
可控硅
MOSFET
二极管
过流保护
晶体管
行业应用
行业目录
汽车
网络通讯
视频监控
消费类电子
电源及新能源
医疗电子
工业
照明
家电
参考设计
参考设计目录
汽车
信号
通讯
数据
RS485/232及I/O
Coaxial
直流电源
交流电源
质量与资源
服务支持
样品申请
技术支持
EMC服务
技术文档
新闻与活动
技术文献
新产品信息
公司资讯
Blog
关于我们
公司信息
人才招聘
联系我们
English
POE-100M-4KV
静电/浪涌防护
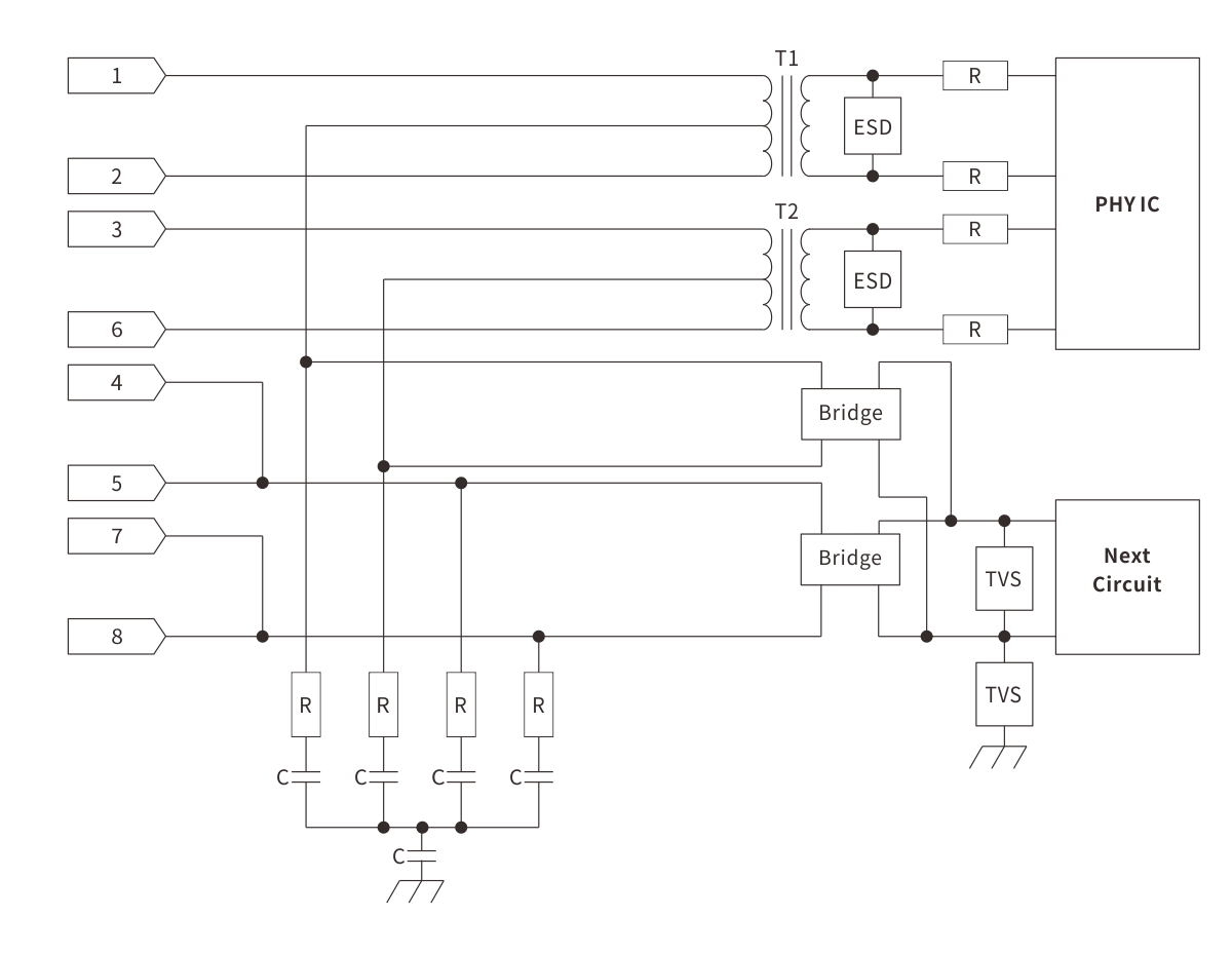
概述
应用框图
相关文档
其它相关
概述
POE 是 Power over Ethernet(以太网供电)的缩写。它是一种技术,允许通过以太网电缆传输数据的同时,为连接的设备提供电力。传统上,设备需要额外的电源线路来供电,而使用 POE 技术可以简化设备的安装和管理,减少线缆的数量和复杂性。POE 技术广泛应用于网络摄像头、无线接入点、IP电话等设备中。
测试标准:
IEC61000-4-5 10/700μs-40Ω,4KV
IEC61000-4-2 Contact-30KV Air-30KV
应用框图
查找适用于您系统的产品和参考设计
POE-100M-4KV
ESD
ESD
TVS
TVS
产品
典型应用
SE3D35B3.3MA-低电容ESD二极管
3.3V,20A,±30KV,SOD-323
产品
参考设计
SE3D35B3.3MA-低电容ESD二极管
3.3V,20A,±30KV,SOD-323
产品
参考设计
SVB200B58-TVS瞬态抑制二极管
58V,2000W,85A,Bidirectional,SMB
产品
参考设计
SVB200B58-TVS瞬态抑制二极管
58V,2000W,85A,Bidirectional,SMB
其它相关
SLIC
RJ11
RJ45-100M
RJ45-1G
RJ45-10G
POE-1G-4KV
POE-10G-6KV
POE-1G-6KV
G.Fast
我们使用cookies来提供更好的服务。继续浏览本网站,即表示您同意我们使用cookies。
同意